Каталог товаров
- Balance Board
- Автоаксессуары
- Автозапчасти
-
ДЛЯ ВОДНОЙ ТЕХНИКИ
- Счётчики моточасов 3
- Втулки Гудрича 22
- Гермоупаковки 36
- Запчасти для водной техники 11
- Запчасти для лодочных моторов 144
- Комплекты Лодка+Мотор 8
- Лодки надувные 13
- Лодочные моторы 30
- Лодочные моторы Трейд-Ин 3
- Масла для водной техники 30
- Насосы 24
- Свечи 13
- Стекла для лодок и катеров 48
- Страховочные жилеты 35
- Чехлы для водной техники 31
-
ДЛЯ КВАДРОЦИКЛОВ
- Тюнинг 1
- Багажники 1
- Бамперы 55
- Выносы радиатора 18
- Запчасти для квадроциклов 1096
- Защита для квадроциклов 113
- Кофры для квадроциклов 60
- Лебедки 35
- Масло для квадроциклов 31
- Наклейки на квадроциклы 35
- Прицепы 6
- Расширители арок 8
- Ремни квадроциклов 62
- Ручки с подогревом 11
- Свет 1
- Свечи для квадроциклов 18
- Снегоотвал 8
- Стекла для квадроциклов 24
- Тормозные колодки 96
- Фары светодиодные 1
- Чехлы для квадроциклов 29
- Шины, диски 37
- ДЛЯ МОТОЦИКЛОВ, ПИТБАЙКОВ, СКУТЕРОВ
-
ДЛЯ СНЕГОХОДОВ
- Аккумуляторы для снегоходов 33
- Бамперы для снегоходов 107
- Брызговики для снегоходов 31
- Гусеницы для снегоходов и мотобуксировщиков 98
- Запчасти для снегоходов 1599
- Защита для снегоходов 32
- Коньки, лыжи, накладки на лыжи снегоходов 68
- Кофры для снегоходов 144
- Крепление ледобура на снегоход 5
- Масло, химия для снегоходов 58
- Наклейки на снегоходы 27
- Ремни вариатора для снегоходов 109
- Сани-волокуши 106
- Свечи для снегоходов 29
- Стёкла для снегоходов и фурнитура к ним 258
- Сумки, муфты на руль, сидушки для снегоходов 61
- Тюнинг снегоходов 48
- Чехлы для снегоходов 61
-
ИНСТРУМЕНТЫ
- Кусторезы 4
- Почвообрабатывающая техника и инструмент 35
- Стабилизаторы 1
- Торцовочные пилы 5
- Пылесосы 3
- Цепные пилы 78
- Техника и инструмент для ухода за газоном 98
- Запчасти к инструменту 460
- Насосы 12
- Дровоколы 1
- Запчасти к инструменту 0
- Аккумуляторная техника 122
- Воздуходувки 15
- Генераторы 20
- Измельчители 2
- Компрессоры и принадлежности 10
- Ледобуры 1
- Лопаты снеговые 20
- Мойки высокого давления 48
- Распродажа бензоинструмента 3
- Распродажа электроинструмента 33
- Расходные материалы и оснастка 65
- Ручной инструмент 44
- Снегоуборщики 46
- Транспортировка 14
- Строительный инструмент 150
-
- Бензорезы2
- Бур машины1
- ПШМ2
- Сварочные аппараты-инверторы6
- Цепные пилы1
- Шуруповерты11
- Станки3
- Принадлежности для шлифмашин1
- Дрели12
- Лобзики7
- Перфораторы17
- Циркулярные (дисковые) пилы15
- Болгарки (УШМ)25
- Шлифовальные машинки6
- Гайковерты3
- Граверы1
- Электрорубанки4
- Фены строительные10
- Фрезеры4
- Бороздоделы (штроборезы)1
- Краскопульты3
- Нивелиры и лазерные уровни3
- Алмазные коронки12
- Электроледобур 18
- КАНИСТРЫ
- КРЕПЛЕНИЯ
- ФИЛЬТРЫ ДЛЯ ВОДЫ
- ЭКИПИРОВКА
Подписка на новости магазина
Подпишитесь на рассылку и получайте свежие новости и акции нашего магазина.
- Интернет магазин Технобокс59
- •
- Каталог товаров
- •
- ИНСТРУМЕНТЫ
- •
- Запчасти к инструменту
- •
- Bosch
- •
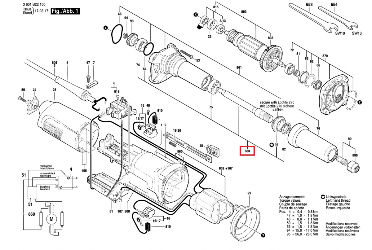
- Шпиндель для прямошлифовальной машины BOSCH GGS8CE















Подписаться
Купить в 1 клик
Рассчитать доставку
Недоступно



Сравнение
В избранное


